Nessun Preventivo
Descrizione
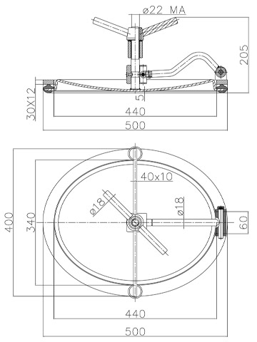
Portella ovale a pressione con OMOLOGAZIONE PED ad apertura interna con possibilità di fuoriuscita del coperchio.
• LUCE UTILE DI PASSAGGIO:
440 x 340
• MATERIALE:
AISI 304(W.NR.1.4301) – AISI 316/L(W.NR.1.4404)
• VOLANTINO DI SERIE:
Volantino INOX (VLT22RZ201L)
• GUARNIZIONE DI SERIE:
EPDM grigio
• FINITURA SUPERFICIALE DI SERIE:
Coperchio lucido/Telaio satinato
Omologazione Ped: vedi tabella
Temperatura massima di esercizio: vedi tabella
| BAR | TEMPERATURA MAX°C | A |
|---|---|---|
| 7,0 | -10/+50 | 5 |
| 7,0 | -10/+100 | 5 |
| 6,0 | -10/+150 | 5 |
| 9,0 | -10/+50 | 6 |
| 9,0 | -10/+100 | 6 |
| 8,0 | -10/+150 | 6 |





